GENERATOR ZNAKÓW OSD-50HD
Zakup produkt
Opis produktu
Urządzenie służy do nałożenia znaków alfanumerycznych, grafiki rastrowej oraz grafiki wektorowej na obraz z kamery.
OSD-50 produkowane jest jako płytka PCB i dedykowane dla urządzeń, gdzie wymagana jest jednoczesna obserwacja obrazu, jak i odczyt danych wysyłanych z umieszczonych w urządzeniu czujników. Przy założeniu współpracy OSD-50 z takimi rozwiązaniami jak Arduino lub Nucleo, proponujemy dodatkowo użycie konwertera PORT-22.
Od strony sygnału wideo OSD-50HD działa jako urządzenie przelotowe, posiadające wejście i wyjście sygnału. Protokół sterowania urządzeniem znajduje się w dokumentacji technicznej.
Specyfikacja
| Obsługiwane standardy: | AHD, HD-CVI, HD-TVI |
| Zasięg RS-485: | 1200 m |
| Wzmocnienie sygnału wideo: | 0 dB |
| Możliwość zmiany czcionki oraz stworzenia własnej tablicy znaków graficznych: | ![]() |
| Wbudowane protokoły KF (kas fiskalnych): | ![]() |
| Możliwość dokładania protokołów KF (kas fiskalnych): | ![]() |
| Obsługa grafiki wektorowej: | ![]() |
| Obsługa grafiki rastrowej: | ![]() |
| Możliwość aktualizacji oprogramowania: | ![]() |
| Obudowa płyty PCB: | ![]() |
| Wbudowany stabilizator: | ![]() |
| Komunikacja: | UART 3.3 V |
| Komunikacja przy użyciu urządzeń opcjonalnych: | PORT-22 |
| Maksymalna liczba znaków w jednej linii: | 50 |
| Maksymalna liczba linii: | 40 |
| Maksymalna liczba znaków na ekranie: | 2000 |
| Możliwość zmiany wielkości czcionki: | ![]() |
| Możliwość zmiany położenia napisów: | ![]() |
| Blokada klawiatury: | ![]() |
| Zasilanie: |
|
| Współpraca: |
|
| Waga: | 0.02 kg |
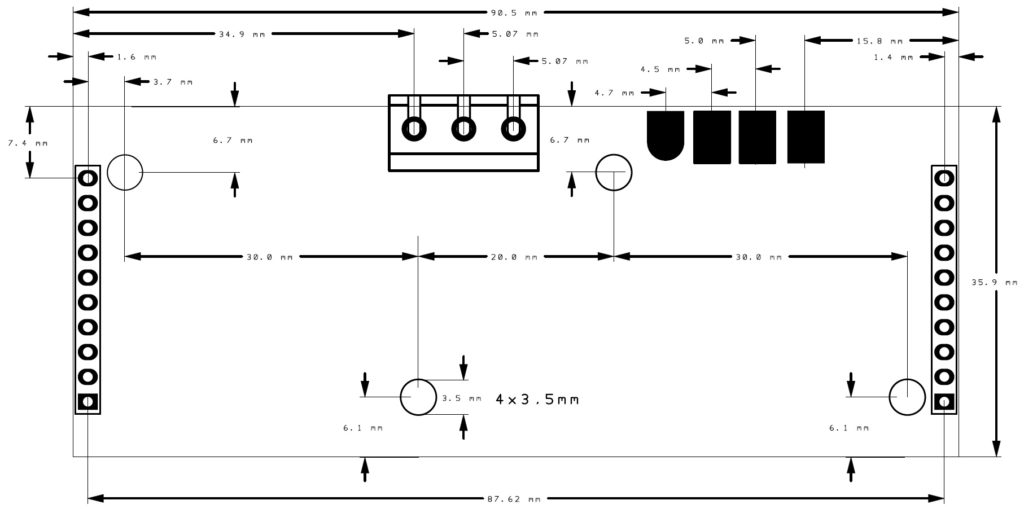
| Wymiary: | 91 x 36 x 11 mm |
| Gwarancja: | 2 lata |
- Zdjęcia produktu
- współpraca z PORT-22
- współpraca z PORT-22 i Arduino
- współpraca z PORT-22 i Nucleo
- Schematy podłączeń
- Przykładowe zastosowania
Bezpośrednie połączenie RS-485 do OSD-50HD - służy np. do aktualizacji oprogramowania OSD-50HD:
Połączenie RS-485 do ARDUINO / NUCLEO:
Bezpośrednie połączenie czujników do ARDUINO / NUCLEO:
Przykład podłączenie czujnika temperatury:
Konfiguracja z zastosowaniem wagi:
Przykładowe podłączenie kilku czujników:
Przykładowe zastosowania
Autostrada
Opakowanie
Wymiary (Dł. x Szer. x Wys.)
125x65x30 mm
Opakowanie
Karton
Waga brutto
0.118 kg






















